Syntax diagram

Extended Backus-Naur Form (EBNF)は、プログラミング言語やその他の形式言語の構造を指定するために用いられる形式構文の一種である。EBNFはBackus-Naur Form (BNF) を拡張したもので、もともとJohn BackusとPeter NaurによってAlgolプログラミング言語の構文を記述するために開発されたものです。

EBNFは、元のBNFのメタシンボルにいくつかのメタシンボルを追加し、言語の構文をより簡潔で読みやすい形で記述できるようにしたものである。プログラミング言語の仕様によく使われるほか、データベースの問い合わせ言語やマークアップ言語など、他の種類の形式言語の構文を記述するために使われることもある。

EBNFの基本的なサポートはPlantUMLに導入されています。

*[Ref. [QA-16529](https://forum.plantuml.net/16529/could-we-add-syntax-diagrams)]*
WARNING
 This translation need to be updated. 
WARNING

Minimal binary diagram

🎉 Copied!

@startebnf
binaryDigit = "0" | "1";
@endebnf

All EBNF Elements

EBNF elements handled by PlantUML are described below.

🎉 Copied!

@startebnf
title All EBNF elements managed by PlantUML

(* Nodes *)
litteral = "a";
special = ? a ?;
rule = a;

(* Edges *)
required = a;
optional = [a];

zero_or_more = {a};
one_or_more = a, {a};
one_or_more_ebnf = {a}-;

zero_or_more_with_separator = [a, {',', a}];
one_or_more_with_separator = a, {',', a};
zero_or_more_with_terminator = {a, ','};
one_or_more_with_terminator = a, ',', {a, ','};
one_or_more_with_terminator_ebnf = {a, ','}-;

alternative = a | b;
group = (a | b) , c;
without_group = a | b , c;
@endebnf

Special sequence management with special-sequence-symbol "?"

You can manage special sequence with special-sequence-symbol "?".

🎉 Copied!

@startebnf
(* Example from §8.1 ISO-EBNF *)

h-tab = ? IS0 6429 character Horizontal Tabulation ? ;

new-line = { ? IS0 6429 character Carriage Return ? },
? IS0 6429 character Line Feed ?,
{ ? IS0 6429 character Carriage Return ? };

(* Other possible examples: *)
h-tab = ?Unicode U+0009?;
empty-special = ??;
@endebnf

[Ref. QA-16781]

Full repetition management with repetition-symbol "*"

You can manage repetition with repetition-symbol "*".

🎉 Copied!

@startebnf
(* Simplified Fortran example *)
Fortran_77_continuation_line = 5 * " ",  '[...]', 66 * [character];

(* Minimal test *)
test = 4 * '2';

(* Example of §5.7 Syntactic-factor of ISO EBNF *)
aa = "A";
bb = 3 * aa, "B";
cc = 3 * [aa], "C";
dd = {aa}, "D";
ee = aa, {aa}, "E";
ff = 3 * aa, 3 * [aa], "F";
gg = 3 * {aa}, "D";
@endebnf

[Ref. QA-16750]

Drawing mode

Before version V1.2025.1, you can choice the drawing mode, and having a compacted mode by using !pragma compact command.

Expanded mode (by default, and the only one from V1.2025.1)

🎉 Copied!

@startebnf
title Expanded mode

zero_or_more = {a};
one_or_more = a, {a};
one_or_more_ebnf = {a}-;

zero_or_more_with_separator = [a, {',', a}];
one_or_more_with_separator = a, {',', a};
zero_or_more_with_terminator = {a, ','};
one_or_more_with_terminator = a, ',', {a, ','};

@endebnf

Compacted mode (only available before V1.2025.1)

🎉 Copied!

@startebnf
!pragma compact
title Compacted mode

zero_or_more = {a};
one_or_more = a, {a};
one_or_more_ebnf = {a}-;

zero_or_more_with_separator = [a, {',', a}];
one_or_more_with_separator = a, {',', a};
zero_or_more_with_terminator = {a, ','};
one_or_more_with_terminator = a, ',', {a, ','};

@endebnf

[Ref. QA-16692, QA-16529]

[End of the compacted mode: GH-1585]

Notes on Elements

Notes may be added to elements of your diagram by using EBNF comment tags.

🎉 Copied!

@startebnf
title Comments
(* Notes for Rule1 *)
Rule1 = {"a-z" (* any letter *) };
(* Notes for Rule2 *)
Rule2 =;
(* Additional notes and references *)
@endebnf

Using (global) style

Without style (by default)

🎉 Copied!

@startebnf
title Title
not_styled_ebnf = {"a", c , "a" (* Note on a *)}
| ? special ?
| "repetition", 4 * '2';
(* Global End Note *)
@endebnf

With style

You can use style to change rendering of elements.

🎉 Copied!

@startebnf
<style>
element {
  ebnf {
    LineColor blue
    Fontcolor green
    Backgroundcolor palegreen
    note {
      Backgroundcolor pink
    }
  }
}
</style>
title Title
styled_ebnf = {"a", c , "a" (* Note on a *)}
| ? special ?
| "repetition", 4 * '2';
(* Global End Note *)
@endebnf

[Ref. QA-16529]

Example of LISP Grammar

LISP Grammar with PlantUML.

🎉 Copied!

@startebnf
title LISP Grammar
grammars_expression = atomic_symbol | "(", s_expression, ".", s_expression, ")" | list;
list = "(", s_expression, { s_expression }, ")";
atomic_symbol = letter, atom_part;
atom_part = empty | letter, atom_part | number, atom_part;
letter = ? a-z ?;
number = ? 1-9 ?;
empty = " ";
@endebnf

[Ref. ]

EBNF of PlantUMLs EBNF Grammar

EBNF allows for self description, so here it is!

🎉 Copied!

@startebnf
grammar = { rule };
rule = lhs , "=" (* definition *) , rhs , ";" (* termination *);
lhs = identifier ;
rhs = identifier
     | terminal
     | "[" , rhs (* optional *) , "]"
     | "{" , rhs (* repetition *), "}"
     | "(" , rhs (* grouping *) , ")"
     | "(*" , string (* comment *) , "*)"
     | "?" , rhs (* special sequence, aka notation *) , "?"
     | rhs , "|" (* alternation *) , rhs
     | rhs , "," (* concatenation *), rhs ;
identifier = letter , { letter | digit | "_" } ;
terminal = "'" , character , { character } , "'"
         | '"' , character , { character } , '"' ;
character = letter | digit | symbol | "_" ;
symbol = "[" | "]" | "{" | "}" | "(" | ")" | "<" | ">"
       | "'" | '"' | "=" | "|" | "." | "," | ";" ;
digit = ? 0-9 ? ;
letter = ? A-Z or a-z ? ;
@endebnf

Java Language Specification

A real world example of a detailed programming language.

Packages and Modules

🎉 Copied!

@startebnf
CompilationUnit = OrdinaryCompilationUnit | ModularCompilationUnit;
OrdinaryCompilationUnit = [PackageDeclaration], {ImportDeclaration}, {TopLevelClassOrInterfaceDeclaration};
ModularCompilationUnit = {ImportDeclaration}, ModuleDeclaration;
PackageDeclaration = {PackageModifier}, "package", Identifier, {Identifier}, ";";
PackageModifier = Annotation;
ImportDeclaration = SingleTypeImportDeclaration | TypeImportOnDemandDeclaration | SingleStaticImportDeclaration | StaticImportOnDemandDeclaration;
SingleTypeImportDeclaration = "import", TypeName, ";";
TypeImportOnDemandDeclaration = "import", PackageOrTypeName, ".*", ";";
SingleStaticImportDeclaration = "import", "static", TypeName, ".", Identifier, ";";
StaticImportOnDemandDeclaration = "import", "static", TypeName, ".*", ";";
TopLevelClassOrInterfaceDeclaration = (ClassDeclaration | InterfaceDeclaration), ";";
ModuleDeclaration = {Annotation}, [open], "module", Identifier, {Identifier}, "{", {ModuleDirective}, "}";
ModuleDirective = ("requires", {RequiresModifier}, ModuleName, ";") | ("exports", PackageName, ["to", ModuleName, {",", ModuleName}], ";") | ("opens", PackageName, ["to", ModuleName, {",", ModuleName}], ";") | ("uses", TypeName, ";") | ("provides", TypeName, "with", TypeName, {",", TypeName}, ";");
RequiresModifier = "transitive" | "static";
@endebnf

Lexical Structure

🎉 Copied!

@startebnf
Identifier = ?IdentifierChars but not a ReservedKeyword or BooleanLiteral or NullLiteral?;
IdentifierChars = JavaLetter, {JavaLetterOrDigit};
JavaLetter = ? any Unicode character that is a "Java letter" ?;
JavaLetterOrDigit = ? any Unicode character that is a "Java letter-or-digit" ?;
TypeIdentifier = ? Identifier but not permits, record, sealed, var, or yield ?;
UnqualifiedMethodIdentifier = ? Identifier but not yield ?;
Literal = IntegerLiteral | FloatingPointLiteral | BooleanLiteral | CharacterLiteral | StringLiteral | TextBlock | NullLiteral;
@endebnf

Types, Values, and Variables

🎉 Copied!

@startebnf
Type = PrimitiveType | ReferenceType;
PrimitiveType = [Annotation], (NumericType | boolean );
NumericType = IntegralType | FloatingPointType;
IntegralType = "byte" | "short" | "int" | "long" | "char";
FloatingPointType = "float" | "double";
ReferenceType = ClassOrInterfaceType | TypeVariable | ArrayType;
ClassOrInterfaceType = ClassType | InterfaceType;
ClassType = {Annotation}, TypeIdentifier, [TypeArguments];
PackageName = {Annotation}, TypeIdentifier, [TypeArguments];
ClassOrInterfaceType = {Annotation}, TypeIdentifier, [TypeArguments];
InterfaceType = ClassType;
TypeVariable = {Annotation}, TypeIdentifier;
ArrayType = (PrimitiveType | ClassOrInterfaceType | TypeVariable), Dims;
Dims=  {Annotation}, "[", "]", {{Annotation}, "[", "]"};
TypeParameter = {TypeParameterModifier}, TypeIdentifier, [TypeBound];
TypeParameterModifier = Annotation;
TypeBound = ("extends", TypeVariable) | ("extends", ClassOrInterfaceType, {AdditionalBound});
AdditionalBound = "&", InterfaceType;
TypeArguments = "<", TypeArgumentList, ">";
TypeArgumentList = TypeArgument, {",", TypeArgument};
TypeArgument = ReferenceType | Wildcard;
Wildcard = {Annotation}, "?", [WildcardBounds];
WildcardBounds = ("extends" | "super"), ReferenceType;
@endebnf

Names

🎉 Copied!

@startebnf
ModuleName = Identifier | ( ModuleName, ".", Identifier);
PackageName = Identifier | (PackageName, ".", Identifier);
TypeName = TypeIdentifier | (PackageOrTypeName, ".", TypeIdentifier);
ExpressionName = Identifier | ( AmbiguousName, ".", Identifier);
MethodName = UnqualifiedMethodIdentifier;
PackageOrTypeName = Identifier | (PackageOrTypeName, ".", Identifier);
AmbiguousName = Identifier | (AmbiguousName, ".", Identifier);
@endebnf

Classes

🎉 Copied!

@startebnf
ClassDeclaration = NormalClassDeclaration | EnumDeclaration | RecordDeclaration;
NormalClassDeclaration = {ClassModifier}, "class", TypeIdentifier, [TypeParameters], [ClassExtends], [ClassImplements], [ClassPermits], ClassBody;
ClassModifier = Annotation | "public" | "protected" | "private" | "abstract" | "static" | "final" | "sealed" | "non-sealed" | "strictfp";
TypeParameters = "<", TypeParameterList, ">";
TypeParameterList = TypeParameter, {",", TypeParameter};
ClassExtends = "extends", ClassType;
ClassImplements = "implements", InterfaceTypeList;
InterfaceTypeList = InterfaceType, {",", InterfaceType};
ClassPermits = "permits", TypeName, {",", TypeName};
ClassBody = "{", {ClassBodyDeclaration}, "}";
ClassBodyDeclaration = ClassMemberDeclaration | InstanceInitializer | StaticInitializer | ConstructorDeclaration;
ClassMemberDeclaration = (FieldDeclaration | MethodDeclaration | ClassDeclaration | InterfaceDeclaration), ";";
FieldDeclaration = {FieldModifier}, UnannType, VariableDeclaratorList, ";";
FieldModifier = Annotation | "public" | "protected" | "private" | "static" | "final" | "transient" | "volatile";
VariableDeclaratorList = VariableDeclarator, {",", VariableDeclarator};
VariableDeclarator = VariableDeclaratorId, ["=", VariableInitializer];
VariableDeclaratorId = Identifier, [Dims];
VariableInitializer = Expression | ArrayInitializer;
UnannType = UnannPrimitiveType | UnannReferenceType;
UnannPrimitiveType = NumericType | boolean;
UnannReferenceType = UnannClassOrInterfaceType | UnannTypeVariable | UnannArrayType;
UnannClassOrInterfaceType = UnannClassType | UnannInterfaceType;
UnannClassType = (TypeIdentifier, [TypeArguments]) | (PackageName, ".", {Annotation}, TypeIdentifier, [TypeArguments]) | (UnannClassOrInterfaceType, ".", {Annotation}, TypeIdentifier, [TypeArguments]) | (TypeIdentifier, [TypeArguments]) | (TypeIdentifier, [TypeArguments]);
UnannInterfaceType = UnannClassType;
UnannTypeVariable = TypeIdentifier;
UnannArrayType = (UnannPrimitiveType, Dims) | (UnannClassOrInterfaceType, Dims) | (UnannTypeVariable, Dims);
MethodDeclaration = {MethodModifier}, MethodHeader, MethodBody;
MethodModifier = Annotation | "public" | "protected" | "private" | "abstract" | "static" | "final" | "synchronized" | "native" | "strictfp";
MethodHeader = (Result, MethodDeclarator, [Throws]) | (TypeParameters, {Annotation}, Result, MethodDeclarator, [Throws]);
Result = UnannType | "void";
MethodDeclarator = Identifier, ( [ ReceiverParameter, "," ], [FormalParameterList] ), [Dims];
ReceiverParameter = {Annotation}, UnannType, [Identifier, "."], "this";
FormalParameterList = FormalParameter, {",", FormalParameter};
FormalParameter = ({VariableModifier}, UnannType, VariableDeclaratorId) | VariableArityParameter;
VariableArityParameter = {VariableModifier}, UnannType, {Annotation}, "...", Identifier;
VariableModifier = Annotation | "final";
Throws = "throws", ExceptionTypeList;
ExceptionTypeList = ExceptionType, {",", ExceptionType};
ExceptionType = ClassType | TypeVariable;
MethodBody = Block | ";";
InstanceInitializer = Block;
StaticInitializer = "static", Block;
ConstructorDeclaration = {ConstructorModifier}, ConstructorDeclarator, [Throws], ConstructorBody;
ConstructorModifier = Annotation | "public" | "protected" | "private";
ConstructorDeclarator = [TypeParameters], SimpleTypeName, ( [ReceiverParameter, ","], [FormalParameterList] );
SimpleTypeName = TypeIdentifier;
ConstructorBody = { [ExplicitConstructorInvocation], [BlockStatements] };
ExplicitConstructorInvocation = ( [TypeArguments], "this", "(", [ArgumentList], ")", ";" ) | ([TypeArguments], "super", "(", [ArgumentList], ")", ";" ) | (ExpressionName, ".", [TypeArguments], "super", "(", [ArgumentList], ")", ";" ) | (Primary, "." [TypeArguments], "super", "(" [ArgumentList], ")", ";";
EnumDeclaration = {ClassModifier}, "enum", TypeIdentifier, [ClassImplements], EnumBody;
EnumBody = "{", [EnumConstantList], [","], [EnumBodyDeclarations], "}";
EnumConstantList = EnumConstant, {",", EnumConstant};
EnumConstant = {EnumConstantModifier}, Identifier, ["(", [ArgumentList], ")"], [ClassBody];
EnumConstantModifier = Annotation;
EnumBodyDeclarations = ";", {ClassBodyDeclaration};
RecordDeclaration = {ClassModifier}, "record", TypeIdentifier, [TypeParameters], RecordHeader, [ClassImplements], RecordBody;
RecordHeader = "(", [RecordComponentList], ")";
RecordComponentList = RecordComponent, {",", RecordComponent};
RecordComponent = (RecordComponentModifier}, UnannType, Identifier) | VariableArityRecordComponent;
VariableArityRecordComponent = {RecordComponentModifier}, UnannType, {Annotation}, "...", Identifier;
RecordComponentModifier = Annotation;
RecordBody = "{", {RecordBodyDeclaration}, "}";
RecordBodyDeclaration = ClassBodyDeclaration | CompactConstructorDeclaration;
CompactConstructorDeclaration = {ConstructorModifier}, SimpleTypeName, ConstructorBody;
@endebnf

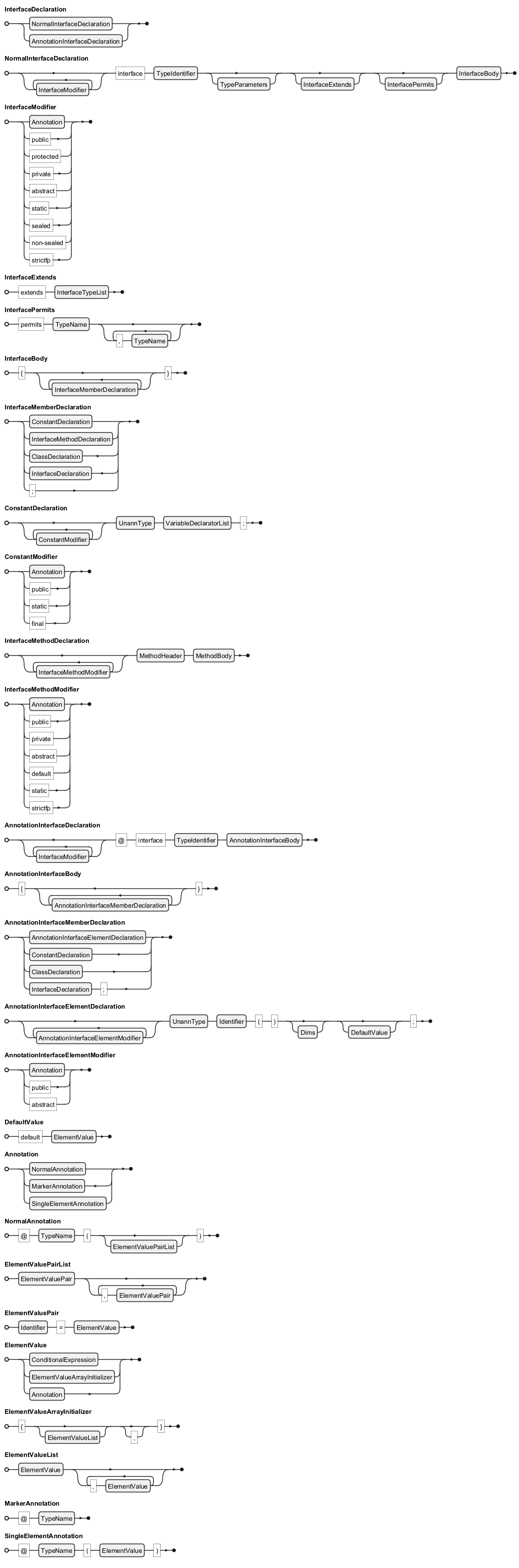
Interfaces

🎉 Copied!

@startebnf
InterfaceDeclaration = NormalInterfaceDeclaration | AnnotationInterfaceDeclaration;
NormalInterfaceDeclaration = {InterfaceModifier}, "interface", TypeIdentifier, [TypeParameters], [InterfaceExtends], [InterfacePermits], InterfaceBody;
InterfaceModifier = Annotation | "public" | "protected" | "private" | "abstract" | "static" | "sealed" | "non-sealed" | "strictfp";
InterfaceExtends = "extends", InterfaceTypeList;
InterfacePermits = "permits", TypeName, {",", TypeName};
InterfaceBody = "{", {InterfaceMemberDeclaration}, "}";
InterfaceMemberDeclaration = ConstantDeclaration | InterfaceMethodDeclaration | ClassDeclaration | InterfaceDeclaration | ";";
ConstantDeclaration = {ConstantModifier}, UnannType, VariableDeclaratorList, ";";
ConstantModifier = Annotation | "public" | "static" | "final";
InterfaceMethodDeclaration = {InterfaceMethodModifier}, MethodHeader, MethodBody;
InterfaceMethodModifier = Annotation | "public" | "private" | "abstract" | "default" | "static" | "strictfp";
AnnotationInterfaceDeclaration = {InterfaceModifier}, "@", "interface", TypeIdentifier, AnnotationInterfaceBody;
AnnotationInterfaceBody = "{", {AnnotationInterfaceMemberDeclaration}, "}";
AnnotationInterfaceMemberDeclaration = AnnotationInterfaceElementDeclaration | ConstantDeclaration | ClassDeclaration | InterfaceDeclaration, ";";
AnnotationInterfaceElementDeclaration = {AnnotationInterfaceElementModifier}, UnannType, Identifier, "(", ")", [Dims], [DefaultValue], ";";
AnnotationInterfaceElementModifier = Annotation | "public" | "abstract";
DefaultValue = "default", ElementValue;
Annotation = NormalAnnotation | MarkerAnnotation | SingleElementAnnotation;
NormalAnnotation = "@", TypeName, "(", [ElementValuePairList], ")";
ElementValuePairList = ElementValuePair, {",", ElementValuePair};
ElementValuePair = Identifier, "=", ElementValue;
ElementValue = ConditionalExpression | ElementValueArrayInitializer | Annotation;
ElementValueArrayInitializer = "{", [ElementValueList], [","], "}";
ElementValueList = ElementValue, {",", ElementValue};
MarkerAnnotation = "@", TypeName;
SingleElementAnnotation = "@", TypeName, "(", ElementValue, ")";
@endebnf

Arrays

🎉 Copied!

@startebnf
ArrayInitializer = "{", [VariableInitializerList], [","], "}";
VariableInitializerList = VariableInitializer, {",", VariableInitializer};
@endebnf

Blocks, Statements, and Patterns

🎉 Copied!

@startebnf
Block = "{", [BlockStatements], "}";
BlockStatements = BlockStatement, {BlockStatement};
BlockStatement = LocalClassOrInterfaceDeclaration | LocalVariableDeclarationStatement | Statement;
LocalClassOrInterfaceDeclaration = ClassDeclaration | NormalInterfaceDeclaration;
LocalVariableDeclarationStatement = LocalVariableDeclaration, ";";
LocalVariableDeclaration = {VariableModifier}, LocalVariableType, VariableDeclaratorList;
LocalVariableType = UnannType | "var";
Statement = StatementWithoutTrailingSubstatement | LabeledStatement | IfThenStatement | IfThenElseStatement | WhileStatement | ForStatement;
StatementNoShortIf = StatementWithoutTrailingSubstatement | LabeledStatementNoShortIf | IfThenElseStatementNoShortIf | WhileStatementNoShortIf | ForStatementNoShortIf;
StatementWithoutTrailingSubstatement = Block | EmptyStatement | ExpressionStatement | AssertStatement | SwitchStatement | DoStatement | BreakStatement | ContinueStatement | ReturnStatement | SynchronizedStatement | ThrowStatement | TryStatement | YieldStatement;
EmptyStatement = ";";
LabeledStatement = Identifier, ":", Statement;
LabeledStatementNoShortIf = Identifier, ":", StatementNoShortIf;
ExpressionStatement = StatementExpression, ";";
StatementExpression = Assignment | PreIncrementExpression | PreDecrementExpression | PostIncrementExpression | PostDecrementExpression | MethodInvocation | ClassInstanceCreationExpression;
IfThenStatement = "if", "(", Expression, ")", Statement;
IfThenElseStatement = "if", "(", Expression, ")", StatementNoShortIf, "else", Statement;
IfThenElseStatementNoShortIf = "if", "(", Expression, ")", StatementNoShortIf, "else", StatementNoShortIf;
AssertStatement = ("assert", Expression, ";") | ("assert", Expression, ":", Expression, ";");
SwitchStatement = "switch", "(", Expression, ")", SwitchBlock;
SwitchBlock = ( "{", SwitchRule, {SwitchRule}, "}" ) | ( "{", {SwitchBlockStatementGroup}, {SwitchLabel, ":"}, "}" );
SwitchRule = (SwitchLabel, "->", Expression, ";") |(SwitchLabel, "->", Block) | (SwitchLabel, "->", ThrowStatement);
SwitchBlockStatementGroup = SwitchLabel, ":", {SwitchLabel, ":"}, BlockStatements;
SwitchLabel = ("case", CaseConstant, {",", CaseConstant}) | "default";
CaseConstant = ConditionalExpression;
WhileStatement = "while", "(", Expression, ")", Statement;
WhileStatementNoShortIf = "while", "(", Expression, ")", StatementNoShortIf;
DoStatement = "do", Statement, "while", "(", Expression, ")", ";";
ForStatement = BasicForStatement | EnhancedForStatement | ForStatementNoShortIf | BasicForStatementNoShortIf | EnhancedForStatementNoShortIf;
BasicForStatement = "for", "(", [ForInit], ";", [Expression], ";", [ForUpdate], ")", Statement;
BasicForStatementNoShortIf = "for", "(", [ForInit], ";", [Expression], ";", [ForUpdate], ")", StatementNoShortIf;
ForInit = StatementExpressionList | LocalVariableDeclaration;
ForUpdate = StatementExpressionList;
StatementExpressionList = StatementExpression, {",", StatementExpression};
EnhancedForStatement = "for", "(", LocalVariableDeclaration, ":", Expression, ")", Statement;
EnhancedForStatementNoShortIf = "for", "(", LocalVariableDeclaration, ":", Expression, ")", StatementNoShortIf;
BreakStatement = break, [Identifier], ";";
YieldStatement = "yield", Expression, ";";
ContinueStatement = "continue", [Identifier], ";";
ReturnStatement = "return" [Expression], ";";
ThrowStatement = "throw", Expression, ";";
SynchronizedStatement = "synchronized", "(", Expression, ")", Block;
TryStatement = ("try", Block, Catches) | ("try", Block, [Catches], Finally ) | TryWithResourcesStatement;
Catches = CatchClause, {CatchClause};
CatchClause = "catch", "(", CatchFormalParameter, ")", Block;
CatchFormalParameter = {VariableModifier}, CatchType, VariableDeclaratorId;
CatchType = UnannClassType, {"|", ClassType};
Finally = "finally", Block;
TryWithResourcesStatement = "try", ResourceSpecification, Block, [Catches], [Finally];
ResourceSpecification = "(", ResourceList, [";"], ")";
ResourceList = Resource, {";", Resource};
Resource = LocalVariableDeclaration | VariableAccess;
Pattern = TypePattern;
TypePattern = LocalVariableDeclaration;

(* Expressions *)

Primary = PrimaryNoNewArray | ArrayCreationExpression;
PrimaryNoNewArray = Literal | ClassLiteral | "this" | (TypeName, ".", "this") | ( "(", Expression, ")" ) | ClassInstanceCreationExpression | FieldAccess | ArrayAccess | MethodInvocation | MethodReference;
ClassLiteral = (TypeName, { "[", "]" }, ".", "class") | (NumericType, {"[", "]"}, ".", "class") | ("boolean", {"[", "]"}, ".", "class") | ("void", ".", "class");
ClassInstanceCreationExpression = UnqualifiedClassInstanceCreationExpression | (ExpressionName, ".", UnqualifiedClassInstanceCreationExpression) |(Primary, ".", UnqualifiedClassInstanceCreationExpression);
UnqualifiedClassInstanceCreationExpression = "new", [TypeArguments], ClassOrInterfaceTypeToInstantiate, "(", [ArgumentList], ")", [ClassBody];
ClassOrInterfaceTypeToInstantiate = {Annotation}, Identifier, {".", {Annotation}, Identifier}, [TypeArgumentsOrDiamond];
TypeArgumentsOrDiamond = TypeArguments | ("<",">");
ArrayCreationExpression = ArrayCreationExpressionWithoutInitializer | ArrayCreationExpressionWithInitializer;
ArrayCreationExpressionWithoutInitializer = ("new", PrimitiveType, DimExprs, [Dims]) | ("new", ClassOrInterfaceType, DimExprs, [Dims]);
ArrayCreationExpressionWithInitializer = ("new", PrimitiveType, Dims, ArrayInitializer) | ("new", ClassOrInterfaceType, Dims, ArrayInitializer);
DimExprs = DimExpr, {DimExpr};
DimExpr = ({Annotation}, [ Expression ]) | (ArrayAccess, "=", ExpressionName, "[", Expression, "]") | (PrimaryNoNewArray, "[", Expression, "]") | (ArrayCreationExpressionWithInitializer, "[", Expression, "]");
FieldAccess = (Primary, ".", Identifier), ("super", ".", Identifier), (TypeName, ".", super, ".", Identifier);
MethodInvocation = (MethodName, "(", [ArgumentList], ")") | (TypeName, ".", [TypeArguments], Identifier, "(", [ArgumentList], ")") | (ExpressionName, ".", [TypeArguments], Identifier, "(", [ArgumentList], ")") | (Primary, ".", [TypeArguments], Identifier, "(", [ArgumentList], ")") | ("super", ".", [TypeArguments], Identifier, "(", [ArgumentList], ")") | (TypeName, ".", "super", ".", [TypeArguments], Identifier, "(", [ArgumentList], ")");
ArgumentList = Expression, {",", Expression};
MethodReference = (ExpressionName, "::", [TypeArguments], Identifier) | (Primary, "::", [TypeArguments], Identifier) | (ReferenceType, "::", [TypeArguments], Identifier) | ("super", "::", [TypeArguments], Identifier) | (TypeName, ".", super, "::", [TypeArguments], Identifier) | (ClassType, "::", [TypeArguments], "new") | (ArrayType, "::", "new");
Expression = LambdaExpression | AssignmentExpression;
LambdaExpression = LambdaParameters, "->", LambdaBody;
LambdaParameters = ("(", [LambdaParameterList], ")") | Identifier;
LambdaParameterList = (LambdaParameter, {",", LambdaParameter}) | (Identifier, {",", Identifier});
LambdaParameter = ({VariableModifier}, LambdaParameterType, VariableDeclaratorId) | VariableArityParameter;
LambdaParameterType = UnannType | "var";
LambdaBody = Expression | Block;
AssignmentExpression = ConditionalExpression | Assignment;
Assignment = LeftHandSide | AssignmentOperator | Expression;
LeftHandSide = ExpressionName | FieldAccess | ArrayAccess;
AssignmentOperator = "=" | "*=" | "/=" | "%=" | "+=" | "-=" | "<<=" | ">>=" | ">>>=" | "&=" | "^=" | "|=";
ConditionalExpression = ConditionalOrExpression | (ConditionalOrExpression, "?", Expression, ":", ConditionalExpression) | (ConditionalOrExpression, "?", Expression, ":", LambdaExpression);
ConditionalOrExpression = ConditionalAndExpression | (ConditionalOrExpression, "||", ConditionalAndExpression);
ConditionalAndExpression = InclusiveOrExpression | (ConditionalAndExpression, "&&", InclusiveOrExpression);
InclusiveOrExpression = ExclusiveOrExpression | (InclusiveOrExpression, "|", ExclusiveOrExpression);
ExclusiveOrExpression = AndExpression | (ExclusiveOrExpression, "^", AndExpression);
AndExpression = EqualityExpression, (AndExpression, "&", EqualityExpression) | (EqualityExpression, "=", RelationalExpression) | (EqualityExpression, "==", RelationalExpression) | (EqualityExpression, "!=", RelationalExpression);
RelationalExpression = ShiftExpression | (RelationalExpression, "<", ShiftExpression) | (RelationalExpression, ">", ShiftExpression) | (RelationalExpression, "<=", ShiftExpression) | (RelationalExpression, ">=", ShiftExpression) | (InstanceofExpression);
InstanceofExpression = (RelationalExpression, "instanceof", ReferenceType) | (RelationalExpression, "instanceof", Pattern);
ShiftExpression = AdditiveExpression | (ShiftExpression, "<<", AdditiveExpression) | (ShiftExpression, ">>", AdditiveExpression) | (ShiftExpression, ">>>", AdditiveExpression);
AdditiveExpression = MultiplicativeExpression | (AdditiveExpression, "+", MultiplicativeExpression) | (AdditiveExpression, "-", MultiplicativeExpression);
MultiplicativeExpression = UnaryExpression | (MultiplicativeExpression, "*", UnaryExpression) | (MultiplicativeExpression, "/", UnaryExpression) | (MultiplicativeExpression, "%", UnaryExpression);
UnaryExpression = PreIncrementExpression | PreDecrementExpression | ("+", UnaryExpression) | ("-", UnaryExpression) | UnaryExpressionNotPlusMinus;
PreIncrementExpression = "++", UnaryExpression;
PreDecrementExpression = "--", UnaryExpression;
UnaryExpressionNotPlusMinus = PostfixExpression | ("~", UnaryExpression) | ("!", UnaryExpression) | CastExpression | SwitchExpression;
PostfixExpression = Primary | ExpressionName | PostIncrementExpression | PostDecrementExpression;
PostIncrementExpression = PostfixExpression, "++";
PostDecrementExpression = PostfixExpression, "--";
CastExpression = ("(", PrimitiveType, ")", UnaryExpression) | ("(", ReferenceType, {AdditionalBound}, ")", UnaryExpressionNotPlusMinus) | ("(", ReferenceType, {AdditionalBound}, ")", LambdaExpression);
SwitchExpression = "switch", "(", Expression, ")", SwitchBlock;
ConstantExpression = Expression;
@endebnf

Remaining defects

Could you put 'arrow head' on all rerouted lines?

🎉 Copied!

@startebnf
title Could you put 'arrow head' on all rerouted lines?
test = [1], [12], [123], [1234];
@endebnf

Fixed by EBNF more arrow head on V1.2024.8

Order issue

🎉 Copied!

@startebnf
a = (one, two), three;
b = (one (* 1 *), two (* 2 *)), three (* 3 *);
@endebnf

[Ref. QA-17090, fixed by EBNF concatenation order on V1.2024.8]

Allow accentuated or Unicode char on EBNF meta-identifier or rule name.

🎉 Copied!

@startebnf
(* Test of accentuated or Unicode char*)
alt = été | hiver;
hiver = 'froid';
été = 'chaud';
@endebnf

[Ref. QA-17145 , fixed by EBNF better unicode support on V1.2024.8]

Allow full restriction management with except-symbol "-"

🎉 Copied!

@startebnf
title First [modified] example of §5.8 Syntactic-term of ISO-EBNF

letter = ? "A" - "Z" ?;

vowel = "A" | "E" | "I" | "O" | "U";

consonant = letter - vowel;
@endebnf

[Ref. QA-16735]


Privacy Policy      Advertise